Vzdušník, tlaková nádoba11 bar 300L
Tlaková nádoba na stlačený vzduch je tlakové zařízení válcového tvaru, které se skládá ze dvou elipsoidních den, pláště s přípojkami a ventilů. Její hlavní funkcí je tlumení pulzací v systému stlačeného vzduchu, což přispívá k optimálnímu provozu kompresoru a pomáhá odstraňovat vlhkost a olej ze stlačeného vzduchu. Kvalitní tlakové nádoby se osvědčují zejména v náročných provozních podmínkách.
Popis svislé tlakové nádoby 300 l
Naše tlaková nádoba o objemu 300 litrů a tlaku 11 barů je robustní a prostorná jednotka, ideální pro skladování stlačeného vzduchu a dalších vysokotlakých plynů. Je navržena tak, aby odolala vysokým tlakům a zaručila bezpečné skladování stlačeného vzduchu.
Tato nádoba se používá v různých průmyslových odvětvích, například v průmyslu, stavebnictví, automobilovém průmyslu a domácích dílnách. Lze ji snadno připojit ke vzduchovému kompresoru nebo jinému zařízení na výrobu stlačeného vzduchu, čímž poskytuje spolehlivý zdroj vzduchu pro výrobní procesy a užitkové aplikace.
Nádrž lze snadno připojit ke vzduchovému kompresoru nebo jinému zařízení na výrobu stlačeného vzduchu, čímž poskytuje spolehlivý zdroj vzduchu pro výrobní procesy a užitkové aplikace.
Objem této nádrže 300 litrů umožňuje delší dobu provozu bez nutnosti častého doplňování. Tlak 11 barů znamená, že nádrž je schopna uchovávat plyn pod vysokým tlakem, což je velmi užitečné pro aplikace vyžadující vyšší výkon.
Naše tlaková nádrž s tlakem 11 barů a objemem 300 l je robustně vyrobena z vysoce kvalitních materiálů, což zajišťuje její odolnost a bezpečnost. Je také vybavena správnými ventily a bezpečnostními prvky, které zabraňují únikům a udržují bezpečnou úroveň tlaku.
Naše tlaková nádrž je také vyrobena tak, aby vydržela.
Naše nádrž je navíc dodávána s kompletní dokumentací, pasporty a certifikáty a schváleními, včetně informací o materiálech použitých při výrobě. Byla také zkontrolována notifikovanou osobou Úřadu pro technickou inspekci. Je označen výrobním štítkem se symbolem CE a číslem notifikované osoby UDT.
Shrnem lze říci, že tlaková nádoba o objemu 300 litrů a tlaku 11 barů je spolehlivým zařízením pro skladování stlačeného vzduchu. Díky svému všestrannému použití je stálým zdrojem vzduchu pro různé průmyslové nebo užitkové aplikace.
V naší nabídce naleznete široký výběr tlakových nádob s různými objemy, což usnadňuje přizpůsobení modelu konkrétním potřebám zařízení vašeho závodu. Naše nádoby jsou vyrobeny z odolné oceli se zvýšenou odolností proti tlaku a z vnitřní i vnější strany jsou opatřeny vhodně upraveným lakem. K dispozici jsou modely pro vertikální i horizontální instalaci, což umožňuje flexibilitu podle konkrétní situace. Naše nádržky se používají také v pneumatických řídicích systémech pro různá zařízení.
Když se rozhodnete pro naše tlakové nádoby, investujete do osvědčených řešení s nejvyššími technickými parametry, která přispívají ke zvýšení provozních standardů systémů pro manipulaci se stlačeným vzduchem ve vašem zařízení.
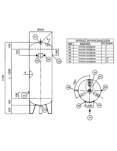
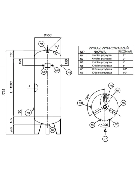
- Hmotnost (kg)
- 110
- Propojení
- 7
- Velikost na vstupu
- 1/2", 1", 2"
- Rozměry
- 204,6x50 cm
- Kapacita nádrže (l)
- 300
- Provozní tlak (bar)
- 11
- Tloušťka stěny (mm)
- 4
- Průměr (mm)
- Ø 500
- Výška (mm)
- 2046
 
   
                             
                             
                             
                             
                             
                             
                     
                     
                     
                     
                     
                     
                 
                                 
                 
                                 
                 
                                 
                 
                                 
                 
                                 
                 
                                 
                 
                                 
                